Мои заказы
Доставка по всей Украине!
Отдел продаж (098) 550-551-7
Жалобы (098) 31-88-388
Сельхозтехника
Запчасти для комбайнов
Комбайны
Поиск по производителю / модели
Приборы для измерения влажност
Кормоуборочные комбайны
Показать все...
Запчасти для почвообработки
Почвенные фрезы
Культиваторы
Дисковые бороны
Прикатывающие катки
Борона
Прополка
Показать все...
Запчасти для косилок и кормораздатчиков
Фронтальные погрузчики
Поворотные и дисковые косилки
Запчасти режущего аппарата
Поиск по производителю / модели
Показать все...
Запчасти для оросительной техники
Насосы водяные
Дождевальные машины
Соединительные звенья
Поливка капельная
Резервуар для воды
Показать все...
Запчасти для разбрасывателей удобрений
Стальные трубки и принадлежности
Задвижки / принадлежности
Распределитель
Гидравлика
Показать все...
Bio-energy Parts
Трубопровод стальной / принадлежности
Системы трубопроводные ПВХ - U
Измерение / регулировка
Техника насосная и измельчительная
Показать все...
Запчасти для картофеле- и свеклоуборочной техники
Картофелеуборочные комбайны
Свеклоуборочные комбайны
Поиск по производителю / модели
Запчасти для сеялок
Шланги
Зубья бороны сеялки
Поиск по производителю / модели
Трактора и прицепы
Транспортные средства / прицепы
Запчасти двигателя
Батареи и принадлежности
Электрооборудование автомобиля
Фильтр
Колёса и покрышки
Сельскохозяйственные трейлеры
Гидравлика
Части кабины управления
Сменные накладки
Освещение
Тракторная навеска
Системы тормозные пневматические
Прицепы для легкового автомобиля
Показать все...
Строительная техника
Поиск по производителю / модели
Адаптер быстросменный
Отбойные молотки
Навесные устройства штабелера
Детали ходовой части - резиновые цепи
Ковши и изнашивающиеся детали
Опорные плиты
Фильтр давления в кабине
Муфты кулачковые
Комплекты уплотнений для строительной техники
Глубина системы управления
Показать все...
Запчасти для тракторов
Запчасти для John Deere
Запчасти для New Holland
Запчасти для Ford
Запчасти для Fendt
Запчасти для Claas
Запчасти для JCB
Запчасти для Volvo
Запчасти для Challenger
Запчасти для MAN
Запчасти для Porsche
Запчасти для Belarus
Запчасти для Massey Ferguson
Запчасти для McCormick
Показать все...
Погрузчики
Инструмент
Зубья
Поиск по производителю / модели
Оборудование
Двигатели внутреннего сгорания
Briggs & Stratton
Bosch
Stihl
Viking
Mitsubishi
Makita
John Deere
Husqvarna
Kawasaki
Honda
Kubota
Yamaha
Homelite
Показать все...
Оборудование для газонов & Оборудование для леса
Поиск по производителю / модели
Комплектующие для ножей
Комплектующие для кусторезов и триммеров
Оборудование для лесохозяйственных работ
Запасные части для цепных пил
Роботизированная газонокосилка
Опрыскиватели ранцевые и ручные
Инструмент для мастерской, лесохозяйственная техника
Колёса и покрышки
Подшипники и втулки, уплотнительные кольца
Приводные детали
Показать все...
Трансмиссия
Трансмиссия
Подшипники
Ременной привод
Карданные валы
Муфты
Сервисные наборы
Крепежный материал и уплотнительные кольца
Материалы сталь и пластмасса
Техника смазочная
Цепи и принадлежности
Редукторы и коробка передач
Приводы установочные линейные
Электродвигатели и частотные регуляторы
Другие
Гидравлика
Насосы & двигатели
Фильтры и принадлежности
Соединения резьбовые трубные, переходники, фланцы
Детали навески и принадлежности
Клапаны
Шланги и фиттинги
Соединения быстроразъемные
Машины и инструменты для гидравлической системы
Компоненты шлангов и труб
Hydraulic Kits & Solutions
Электроника
Строения и установки
Мобильные электроника
Провода и кабели
Промышленные коммутационные аппараты
Датчики
Корпус
Инверторы, блоки питания и аккумуляторы
Предохранители и выключатели
Станция управления
Пневматика
Клапан потока
Шланги
Фитинги и резьбовые соединения
Подготовка сжатого воздуха
Пневматические инструменты
Компрессоры сжатого воздуха
Проводящая система сжатого воздуха
Цилиндры
Клапаны
Резервуар для сжатого воздуха и принадлежности
Распродажа
Датчики
Животноводство & Магазин
Инструмент и принадлежности
Ручной инструмент
Электроинструмент
Показать все...
Крепеж
Клейкие ленты
Пружины
Показать все...
Товары для склада и магазина
Наборы крепежа
Стеллажи
Показать все...
Товары для животноводства
Тачка и ведра
Садовая техника
Показать все...
Смазка, покраска и мойка
Краски и малярные принадлежности
Чистящие средства
Показать все...
Насосы, шланги, фитинги и моечная техника
Моечная техника
Шланги
Показать все...
Игрушки и товары для досуга
Вне помещения
Миниатюры
Показать все...
Моторизированное оборудование
Цепная пила
Газонокосилка
Показать все...
Животноводство
Чашечные поилки
Стрижка и уход
Показать все...
Рабочая одежда и СИЗ
Рабочая одежда
Обувь
Первая помощь
Показать все...
Рекламная продукция
John Deere
Caterpillar
Kramp
Показать все...
Рекламная продукция OUTLET
DEUTZ-FAHR
SAME
Сельхозтехника
Запчасти для комбайнов
Комбайны
Поиск по производителю / модели
Приборы для измерения влажност
Кормоуборочные комбайны
Показать все...
Запчасти для почвообработки
Почвенные фрезы
Культиваторы
Дисковые бороны
Прикатывающие катки
Борона
Прополка
Показать все...
Запчасти для косилок и кормораздатчиков
Фронтальные погрузчики
Поворотные и дисковые косилки
Запчасти режущего аппарата
Поиск по производителю / модели
Показать все...
Запчасти для оросительной техники
Насосы водяные
Дождевальные машины
Соединительные звенья
Поливка капельная
Резервуар для воды
Показать все...
Запчасти для разбрасывателей удобрений
Стальные трубки и принадлежности
Задвижки / принадлежности
Распределитель
Гидравлика
Показать все...
Bio-energy Parts
Трубопровод стальной / принадлежности
Системы трубопроводные ПВХ - U
Измерение / регулировка
Техника насосная и измельчительная
Показать все...
Запчасти для картофеле- и свеклоуборочной техники
Картофелеуборочные комбайны
Свеклоуборочные комбайны
Поиск по производителю / модели
Запчасти для сеялок
Шланги
Зубья бороны сеялки
Поиск по производителю / модели
Трактора и прицепы
Транспортные средства / прицепы
Запчасти двигателя
Батареи и принадлежности
Электрооборудование автомобиля
Фильтр
Колёса и покрышки
Сельскохозяйственные трейлеры
Гидравлика
Части кабины управления
Сменные накладки
Освещение
Тракторная навеска
Системы тормозные пневматические
Прицепы для легкового автомобиля
Показать все...
Строительная техника
Поиск по производителю / модели
Адаптер быстросменный
Отбойные молотки
Навесные устройства штабелера
Детали ходовой части - резиновые цепи
Ковши и изнашивающиеся детали
Опорные плиты
Фильтр давления в кабине
Муфты кулачковые
Комплекты уплотнений для строительной техники
Глубина системы управления
Показать все...
Запчасти для тракторов
Запчасти для John Deere
Запчасти для New Holland
Запчасти для Ford
Запчасти для Fendt
Запчасти для Claas
Запчасти для JCB
Запчасти для Volvo
Запчасти для Challenger
Запчасти для MAN
Запчасти для Porsche
Запчасти для Belarus
Запчасти для Massey Ferguson
Запчасти для McCormick
Показать все...
Погрузчики
Инструмент
Зубья
Поиск по производителю / модели
Оборудование
Двигатели внутреннего сгорания
Briggs & Stratton
Bosch
Stihl
Viking
Mitsubishi
Makita
John Deere
Husqvarna
Kawasaki
Honda
Kubota
Yamaha
Homelite
Показать все...
Оборудование для газонов & Оборудование для леса
Поиск по производителю / модели
Комплектующие для ножей
Комплектующие для кусторезов и триммеров
Оборудование для лесохозяйственных работ
Запасные части для цепных пил
Роботизированная газонокосилка
Опрыскиватели ранцевые и ручные
Инструмент для мастерской, лесохозяйственная техника
Колёса и покрышки
Подшипники и втулки, уплотнительные кольца
Приводные детали
Показать все...
Трансмиссия
Трансмиссия
Подшипники
Ременной привод
Карданные валы
Муфты
Сервисные наборы
Крепежный материал и уплотнительные кольца
Материалы сталь и пластмасса
Техника смазочная
Цепи и принадлежности
Редукторы и коробка передач
Приводы установочные линейные
Электродвигатели и частотные регуляторы
Другие
Гидравлика
Насосы & двигатели
Фильтры и принадлежности
Соединения резьбовые трубные, переходники, фланцы
Детали навески и принадлежности
Клапаны
Шланги и фиттинги
Соединения быстроразъемные
Машины и инструменты для гидравлической системы
Компоненты шлангов и труб
Hydraulic Kits & Solutions
Электроника
Строения и установки
Мобильные электроника
Провода и кабели
Промышленные коммутационные аппараты
Датчики
Корпус
Инверторы, блоки питания и аккумуляторы
Предохранители и выключатели
Станция управления
Пневматика
Клапан потока
Шланги
Фитинги и резьбовые соединения
Подготовка сжатого воздуха
Пневматические инструменты
Компрессоры сжатого воздуха
Проводящая система сжатого воздуха
Цилиндры
Клапаны
Резервуар для сжатого воздуха и принадлежности
Распродажа
Датчики
Животноводство & Магазин
Инструмент и принадлежности
Ручной инструмент
Электроинструмент
Показать все...
Крепеж
Клейкие ленты
Пружины
Показать все...
Товары для склада и магазина
Наборы крепежа
Стеллажи
Показать все...
Товары для животноводства
Тачка и ведра
Садовая техника
Показать все...
Смазка, покраска и мойка
Краски и малярные принадлежности
Чистящие средства
Показать все...
Насосы, шланги, фитинги и моечная техника
Моечная техника
Шланги
Показать все...
Игрушки и товары для досуга
Вне помещения
Миниатюры
Показать все...
Моторизированное оборудование
Цепная пила
Газонокосилка
Показать все...
Животноводство
Чашечные поилки
Стрижка и уход
Показать все...
Рабочая одежда и СИЗ
Рабочая одежда
Обувь
Первая помощь
Показать все...
Рекламная продукция
John Deere
Caterpillar
Kramp
Показать все...
Рекламная продукция OUTLET
DEUTZ-FAHR
SAME
Сельхозтехника
Запчасти для косилок и кормораздатчиков
Поиск по производителю / модели
Предназначенные для Kverneland
центральный валкователь
9472C Hydro
Год выпуска -> 2012
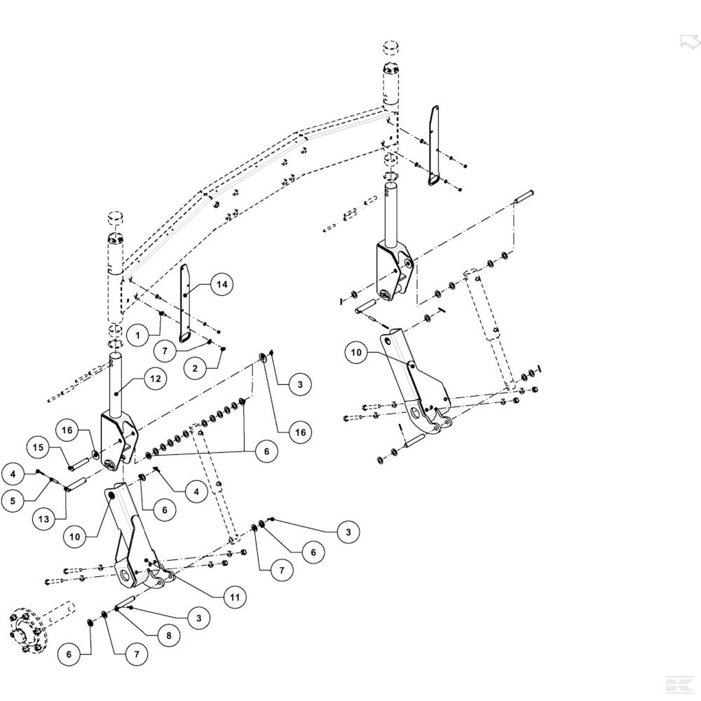
23 Гидравлическое транспортное шасси Спроектировано для Kverneland 9472C Hydro
VF1664833794 +Oscillating Arm Welded
VF1664833794 +Oscillating Arm Welded
Производитель:
DEUTZ-FAHR
Количество:
Добавить в заказ
Номер
VF1664833794
Информация
Кол-во 1, справа
Позиция
Fig.9472CH12_56 Pos.10
Ед. измерения
Шт.
Отзывы
Дополнительная информация